Описание
Поворотный переключатель кухонных плит ППКП (он же ТПКП) предназначен в качестве встраиваемых комплектующих изделий для кухонных плит для ручного переключения мощности кухонных плит путем изменения схемы включения нагревательных элементов (конфорок). Переключатели ППКП рассчитаны на номинальный ток 25 А, номинальное напряжение 220 и 250 В переменного тока частоты 50 и 60 Гц. Переключатели не должны эксплуатироваться во взрывоопасной среде, а также в среде, содержащей токопроводную пыль, агрессивные газы и пары в концентрациях, разрушающих металлы и изоляцию.
Технические данные:
1. Напряжения — 220, 250 В.
2. Частота тока — 50, 60 Гц.
3. Ток — 25 А.
4. Максимальная рабочая температура окружающей среды, не более — 125 градусов.
5. Рабочий цикл — 6 000 циклов.
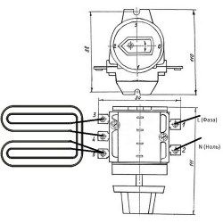
6. Габаритные размеры — 111*84*100 мм.
7. Масса, не более — 0,4 кг.
8. Переключатель имеет 4 фиксированных положения ручки, которые обеспечивают следующие варианты подключения:
— нулевой — нагрузка отключена (все контакты разомкнуты);
— первое — последовательно включены две электрические цепи нагрузки (контакты 1-3 и 2-4 замкнуты);
— второе — включена одна электрическая цепь нагрузки (контакты 1-3 и 2-5 замкнуты);
— третье — параллельно включены две электрические цепи нагрузки (контакты 1-3, 1-4 и 2-5 замкнуты).
9. Конструкция переключателя обеспечивает поворот ручки в обе стороны от нулевого положения.
10. Содержание драгоценных металлов:
— серебро — 0,64656 г.
11. Страна изготовитель — Республика Беларусь.
12. Применяется в:
— электрических плитах;
— духовых шкафах.
Схема подключения:

